Eu vou homologar seu sistema de energia solar
Descrição do Serviço
Precisa homologar um sistema de energia solar com rapidez, precisão e sem dor de cabeça?
Eu faço isso por você!
Sou especialista em projetos fotovoltaicos e processos de homologação, garantindo que seu sistema seja aprovado pela concessionária sem erros, sem atrasos e sem retrabalho.
O que eu ofereço:
Homologação completa de sistemas fotovoltaicos on-grid
Conferência e adequação de toda documentação técnica
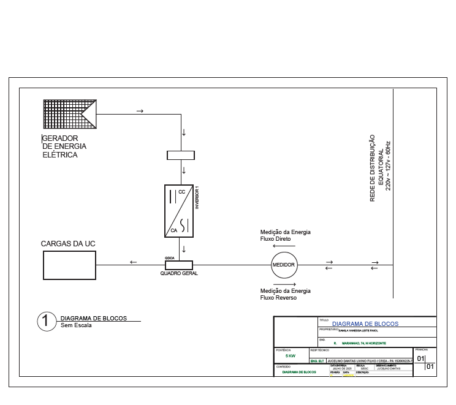
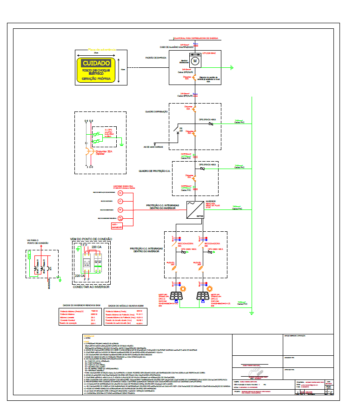
Elaboração e revisão de diagrama unifilar (DU)
Layouts elétricos e especificações conforme normas
Adequação às normas NBR 16690, NBR 5410 e regras da concessionária
Verificação de compatibilidade entre módulos, inversores e proteções
Envio do processo na plataforma da concessionária (quando aplicável)
Suporte até a aprovação final do projeto
Por que me escolher?
Experiência como Projetista Fotovoltaico
Domínio total das normas e requisitos técnicos
Agilidade, qualidade e comunicação clara
Zero retrabalho — documentos entregues prontos para aprovação
Atendimento ideal para integradores, instaladores e empresas de energia solar
Pacotes disponíveis:
Básico: Revisão de documentos + correções simples
Padrão: Preparação completa dos documentos + verificação técnica
Premium: Homologação do início ao fim, até a aprovação total
Vamos aprovar seu projeto com rapidez e profissionalismo!
Envie os dados do sistema e começo imediatamente.



Último acesso: 10/12/2025 20:11:54